手机版
供应
求购
公司
关键字:
水果
机械
泵
塑烧板
绿色
猕猴桃
电子
海绵
Tel:400-000-9669
登录手机版
扫一扫关注登录手机版
商品分类
首页
供应
求购
公司
相册
首页
»
供应
»
电子网
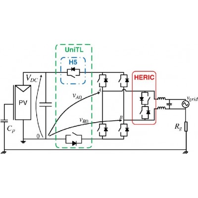
»光伏储能变流器HERIC拓扑专用混合SiC-IGBT单管
光伏储能变流器HERIC拓扑专用混合SiC-IGBT单管
[打印本文]
[关闭窗口]
面议
起订量:0
可售数量:0
发布时间:2022-06-25
产品供应时间:长期有效
深圳大芯超导有限公司
进入店铺
所在地:广东深圳市
企业类型:企业单位
公司地址:深圳市宝安区德至高科技园
联系人:业务经理 (先生)
手机:13816881688
在线联系:
传真:0755-28397653
立即询价
加入购物车
告诉好友
违规举报
分享拿好礼:
企业信息